开创 专注 持续

您的当前位置:网站首页  >  产品中心
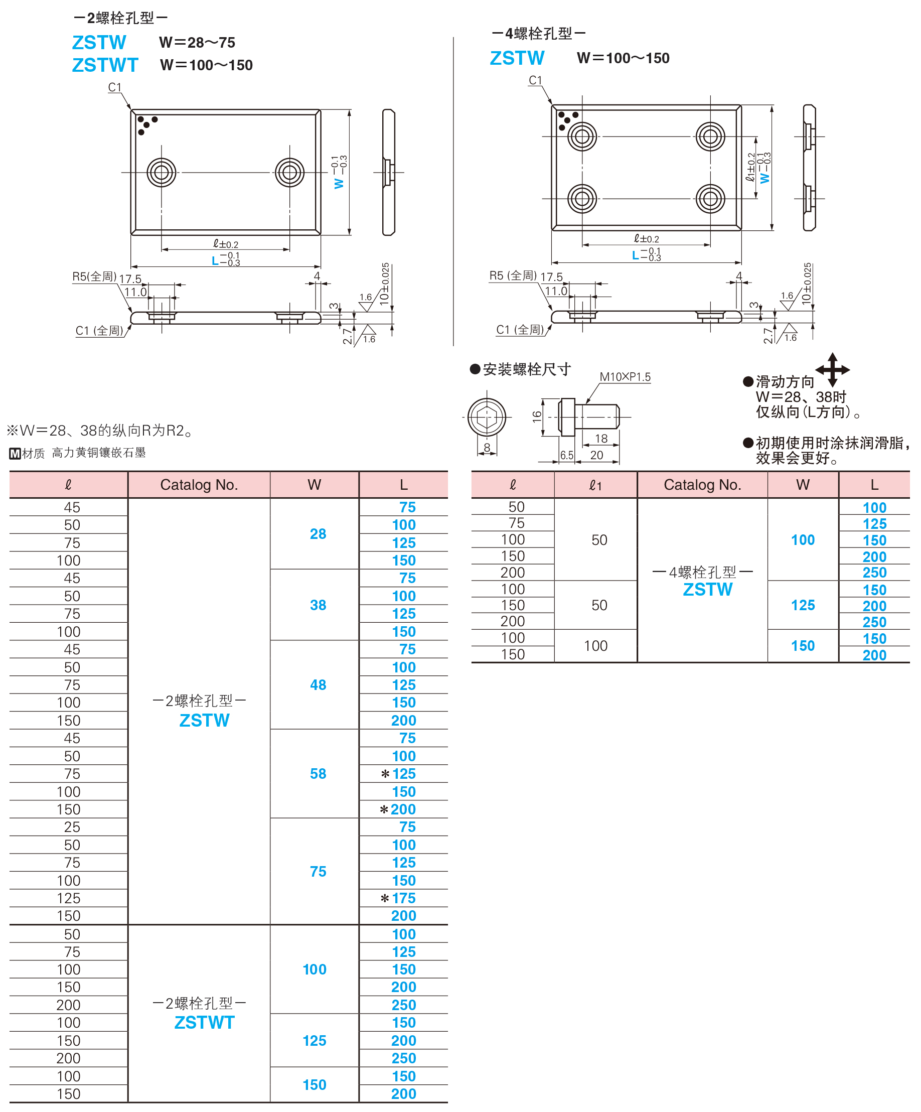
自润滑滑板

通过将特殊固体润滑剂镶嵌于适当的位置制作而成。通过金属母材支撑负载并因镶嵌固体润滑剂,而具有润滑作用,即使在恶劣条件下,也能显现出优良的自润滑耐久性。适用于必须经常加润滑油的位置,往复运动或频繁启动与停止的位置,以及难以形成油膜的位置。可在自润滑状态下使用,不需要加油装置,可缩短装配工期,减少油品污染公害,美化环境。耐咬合性能优良。

全国服务热线

13244995506

在线咨询 在线咨询
产品特性

PRODUCT CHARACTERISTICS

1.适用于必须经常加润滑油的位置,往复运动或频繁启动与停止的位置,以及难以形成油膜的位置。
2.可在自润滑状态下使用,不需要加油装置,可缩短装配工期,减少油品污染公害,美化环境。
3.耐咬合性能优良。

主要特征

MAIN FEATURES

样品申请

SAMPLE APPLICATION

产品名称
公司名称
联系方式
所在地址
备注信息
给我们留言,我们将尽快回复 ——————