开创 专注 持续

您的当前位置:网站首页  >  产品中心
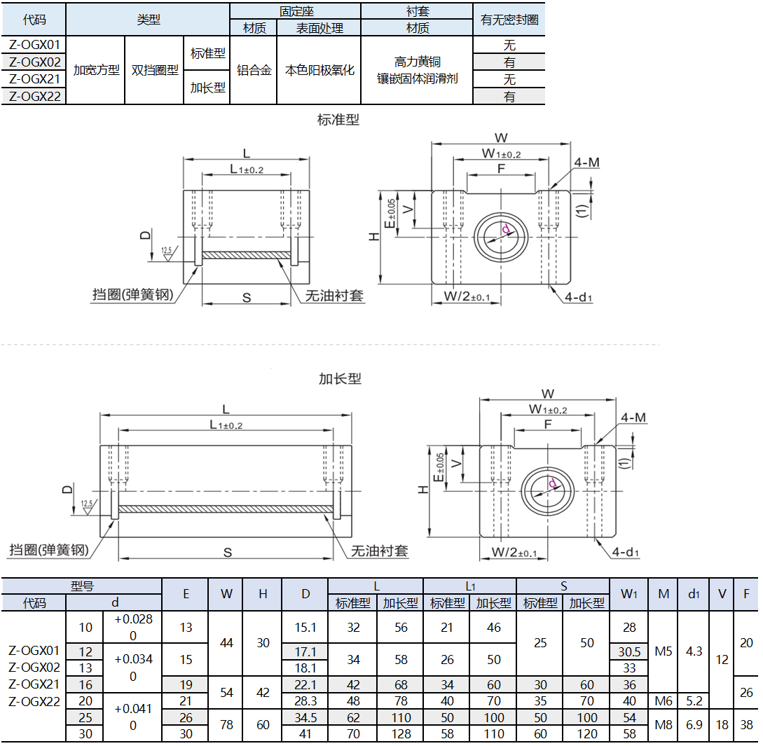
无油衬套方型固定座组件

1、适合水平方向运动、维护频率低。
2、比滚动轴承更能承受重载。
3、在“高温”、“低温”的严苛温度条件下也可使用。

全国服务热线

13244995506

在线咨询 在线咨询
产品特性

PRODUCT CHARACTERISTICS

1、以高强度黄铜为基础,镶嵌了固体润滑剂的复合产品。
2、减少了固定座制作、组装的时间。
3、适合在重载、低速运行的条件下使用。
4、可以在往复运动、频繁起动停止等难以形成油膜的部位发挥优良的耐磨性。

主要特征

MAIN FEATURES

样品申请

SAMPLE APPLICATION

产品名称
公司名称
联系方式
所在地址
备注信息
给我们留言,我们将尽快回复 ——————