开创 专注 持续

您的当前位置:网站首页  >  产品中心
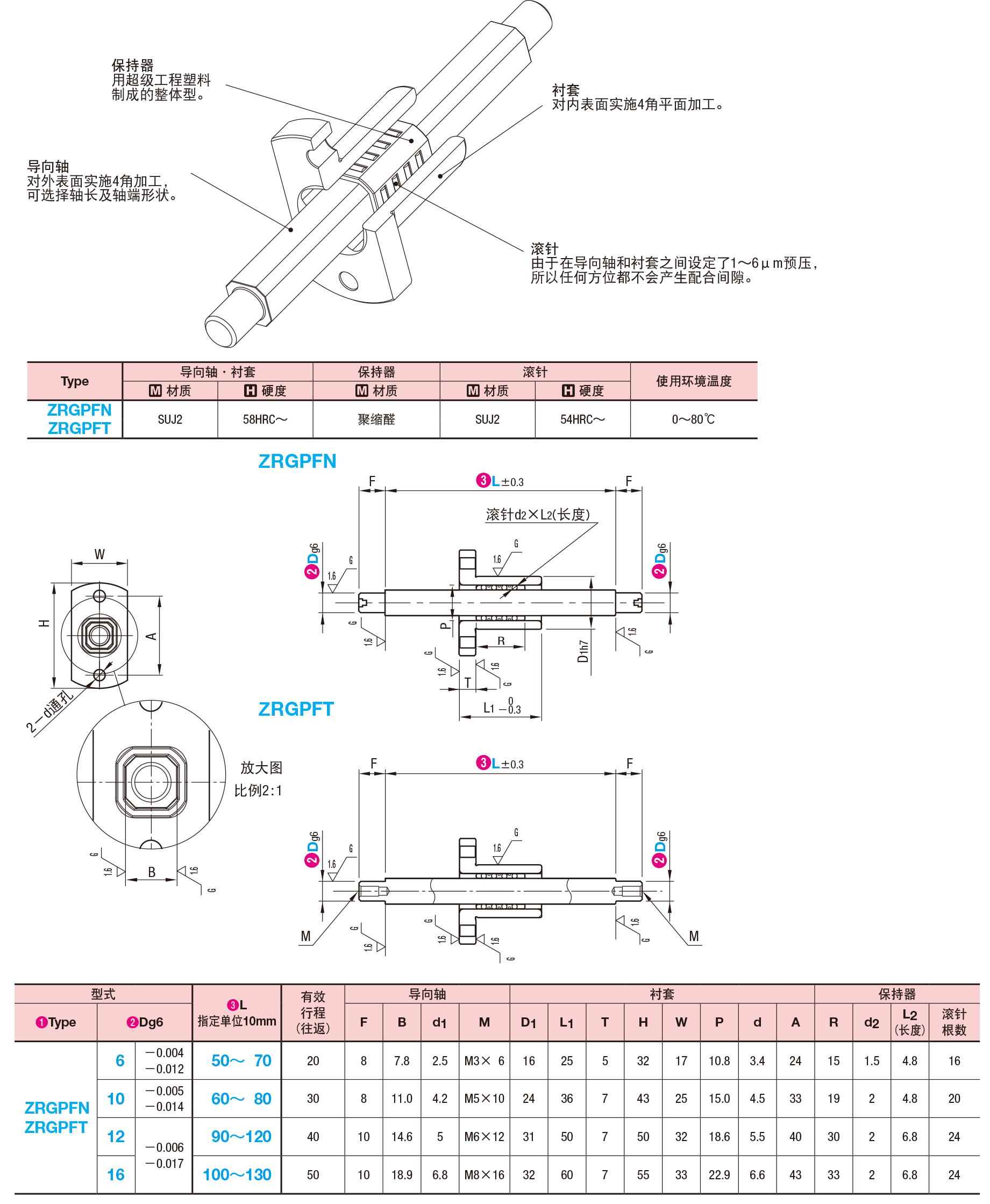
高刚性滚针导向组件

高刚性滚针导向组件(带法兰型)是一款专为高精度机械和自动化设备设计的导向部件。该组件在方轴与螺母之间配置高精度滚针滚子结构,能够实现高负荷条件下的稳定扭矩传递。产品采用优质轴承钢制造,具有出色的刚性与耐磨性能,适用于长时间连续运转。其方形截面设计不仅有效防止旋转,还能承载较大扭矩,保证直线运动的稳定性和平滑性。

 

该产品广泛应用于半导体和液晶设备、升降滑台、机器人关节、冲压机、搬运装置等行业,是高精度设备实现高效运转的理想选择。

全国服务热线

13244995506

在线咨询 在线咨询
产品特性

PRODUCT CHARACTERISTICS

  1. 高精度滚针结构:四向排列高精度滚针,配合1-6μm的预压设计,实现高直线度与稳定运行。

  2. 高刚性材质:选用轴承钢制造,具备耐磨损、抗冲击和高负荷承载能力。

  3. 稳定抗扭转:方形截面设计避免旋转,可有效传递扭矩并抑制摆动。

  4. 适用范围广:广泛应用于半导体设备、液晶检测装置、冲压机、机器人和搬运装置等领域。

  5. 维护便捷:开封后需首次防锈处理,建议每三个月定期保养,确保长期可靠性。

主要特征

MAIN FEATURES

样品申请

SAMPLE APPLICATION

产品名称
公司名称
联系方式
所在地址
备注信息
给我们留言,我们将尽快回复 ——————